Home > Products > Nut > Round Nut > Shaft Nut
        Shaft Nut
        • Shaft NutShaft Nut
        • Shaft NutShaft Nut

        Shaft Nut

        The slot design of Xiaoguo® Customized Shaft nut made in China is specifically created to be compatible with the dedicated tools, Choosing the newest Shaft nut will significantly enhance the assembly efficiency.Making the installation and disassembly extremely convenient.

        Send Inquiry

        Product Description

        How to choose the appropriate surface treatment?

        The choice of surface treatment for the Shaft nut mainly depends on the specific usage environment, budget and performance requirements.

        (1)Budget priority, dry indoor environment: The preferred option is electro-galvanizing.

        (2)Harsh outdoor conditions / High corrosion resistance: The preferred options are hot-dip galvanizing or electroless nickel plating.

        (3)High-strength fasteners (Grade 10.9 and above): The process must be selected that has no risk of hydrogen embrittlement, such as Dacromet or mechanical galvanization.

        (4)For coating priming or to reduce friction: Choose phosphating.

        (5)Specific appearance requirements: For a mirror finish effect, chrome plating can be selected; for a pure black and dense appearance, electrophoretic black can be chosen.

        (6)Special functional requirements (high temperature resistance / anti-sticking): Select Teflon coating.

        (7)Very committed to environmental protection: We prioritize the use of new environmentally friendly processes such as chrome-free Dacromet coating and hot-dip zinc plating.

        Shaft Nut

        Structural design features

        The Shaft nut has been precisely designed in terms of structure. Its design features mainly lie in the aspects of the thread, locking mechanism and shape.

        (1)Thread design

        It serves as the foundation for the Shaft nut and is crucial for ensuring the connection's strength and accuracy.  

        Fine thread: All shaft nuts are equipped with fine thread. The helix angle of fine thread is small, which ensures excellent self-locking performance. It is particularly suitable for applications subjected to dynamic loads.

        High precision tolerance: The internal thread of the nut is usually manufactured according to ISO 965-2 standard 6H or 5H, while the mating shaft thread is recommended to use a tolerance of 6g.

        (2)Anti-loosening and locking mechanism

        This is the core of the nut's "locking" function, effectively resisting vibrations and impacts.

        Slotted type: This is the most classic design. It achieves anti-loosening by machining 4 to 8 radial slots on the outer circle of the nut.

        Axial locking screws: This design integrates locking screws onto the nut body. The common layout consists of 3, 4, or 8 evenly distributed screws, ensuring uniform distribution of the locking force.

        Elastic deformation clamping: This is a highly precise design. The main body of the nut contains an "elastic diaphragm" or "membrane" structure. When tightening the screw, the membrane undergoes controlled elastic deformation, resulting in a 360° full circumferential friction engagement.

        Axial and tooth base locking: The locking force of the axial locking type is parallel to the axis of the thread; the tooth base locking type is in contact with the thread base (at an angle of approximately 30°) through the locking mechanism, which can effectively prevent the deformation of the nut body.


        (3)Shape Design

        The design of the exterior determines the ease of installation, the operational space and the convenience of maintenance.

        Circular main body: The circular main body design effectively avoids rotational interference.

        Specialized tool interface: Slot: Mainly used in conjunction with the hook-shaped wrench.

        End face: There are holes designed on the end surface, which can be tightened using a plug wrench or a cylindrical rod.

        Bevel design: According to standards (such as DIN 981), the shaft nuts usually have a 30° bevel, which helps guide the locking washer and makes it easier for it to fit properly during installation.

        Shaft Nut


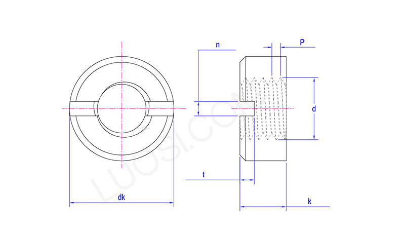
        Mon M3.5 M4 M5 M6 M8 M10 M12 M14 M16 M18 M20
        P 0.6 0.7 0.8 1 1.25 1.5 1.75 2 2 2.5 2.5
        dk max 7 8 9 11 14 18 21 24 26 29 32
        dk min 6.64 7.64 8.64 10.57 13.57 17.57 20.48 23.48 25.48 28.48 31.38
        k max 3 3.5 4.2 5 6.5 8 10 11 12 13 14
        k min 2.75 3.2 3.9 4.7 6.14 7.64 9.64 10.57 11.57 12.57 13.57
        n min 1.46 1.46 2.06 2.56 3.06 3.57 4.07 4.07 4.07 4.07 5.07
        n max 1.71 1.71 2.31 2.81 3.31 3.87 4.37 4.37 4.37 4.37 5.37
        t min 1 1.2 15 2 2.5 3.2 3.8 3.8 3.8 4.8 4.8
        t max 1.40 1.60 1.90 2.4 3 3.7 4.3 4.3 4.3 5.5 5.5

        Hot Tags: Shaft Nut, China, Manufacturer, Supplier, Factory
        Related Category
        Send Inquiry
        Please Feel free to give your inquiry in the form below. We will reply you in 24 hours.
        X
        We use cookies to offer you a better browsing experience, analyze site traffic and personalize content. By using this site, you agree to our use of cookies. Privacy Policy
        Reject Accept