Home > Products > Nut > Round Nut > DIN 1804 Nut
        DIN 1804 Nut
        • DIN 1804 NutDIN 1804 Nut
        • DIN 1804 NutDIN 1804 Nut

        DIN 1804 Nut

        China supplier and manufacturer Xiaoguo® specializes in DIN 1804 nut that can be reused. The product offers high cost-effectiveness and can effectively reduce maintenance costs over the long term. If you purchase the Bulk DIN 1804 nuts, you will get a more favorable price.

        Send Inquiry

        Product Description

        Installation tools

        Although the DIN 1804 nut has a simple structure, correct installation is the key to ensuring its locking performance.

        (1)Core tool: Hook-type wrench (must be used), the common standard is DIN 1810.

        There are various forms:

        1)Fixed type with raised nose: Compliant with DIN 1810 standard, it is the most widely used standard option.

        2)Hinged/Adjustable type: One tool covers multiple specifications, suitable for situations with variable working conditions.

        3)Kit type: Such as an 8-piece set, containing various specifications, facilitating centralized management and use.

        (2)Auxiliary tools: Torque wrench: To ensure precise control of locking force, many hook-type wrenches are designed with square tongue interfaces that can be connected to torque wrenches. (3)Anti-loosening accessories: To achieve the anti-loosening effect, the nut must be paired with the corresponding anti-loosening device, such as a locking washer or thread locking adhesive.

        DIN 1804 Nut

        Installation steps

        (1)Preparation before Installation

        Confirm specifications: Ensure that the thread specification of the DIN 1804 nut is consistent with that of the shaft.

        Cleaning inspection: Thoroughly clean the shaft, nut threads and key mating surfaces, and check for any burrs or damages.

        Confirm the load-bearing surface: During installation, the side of the nut with the finely machined surface must face the bearing or the end face of the workpiece.

        (2)Initial tightening

        Manual insertion: Align the nut with the shaft end in advance, and then insert it by hand for 2 to 3 turns.

        (3)Anti-loosening device

        Install the locking washer according to the anti-loosening scheme (the inner tongue should align with the keyway on the shaft) or apply the thread locking adhesive.

        (4)Final tightening

        Carefully insert the protruding nose of the hook wrench into the groove of the nut (note that starting from the M45x1.5 specification, the nut has 6 grooves, and you need to apply force more evenly)

        (5)Locking and Confirmation

        Using mechanical anti-loosening (locking ring): After tightening the nut, bend the outer tongue of the ring and insert it into any slot of the nut to achieve mechanical locking.

        Use chemical anti-loosening (thread locking adhesive): Apply it after cleaning the threads and before tightening, and wait for it to cure.

        Final inspection: Use a torque wrench to recheck the torque.

        DIN 1804 Nut

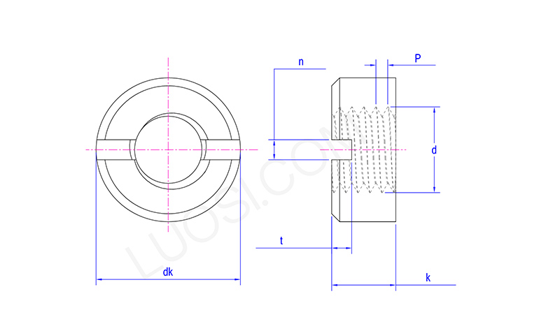
        Mon M3.5 M4 M5 M6 M8 M10 M12 M14 M16 M18 M20
        P 0.6 0.7 0.8 1 1.25 1.5 1.75 2 2 2.5 2.5
        dk max 7 8 9 11 14 18 21 24 26 29 32
        dk min 6.64 7.64 8.64 10.57 13.57 17.57 20.48 23.48 25.48 28.48 31.38
        k max 3 3.5 4.2 5 6.5 8 10 11 12 13 14
        k min 2.75 3.2 3.9 4.7 6.14 7.64 9.64 10.57 11.57 12.57 13.57
        n min 1.46 1.46 2.06 2.56 3.06 3.57 4.07 4.07 4.07 4.07 5.07
        n max 1.71 1.71 2.31 2.81 3.31 3.87 4.37 4.37 4.37 4.37 5.37
        t min 1 1.2 15 2 2.5 3.2 3.8 3.8 3.8 4.8 4.8
        t max 1.40 1.60 1.90 2.4 3 3.7 4.3 4.3 4.3 5.5 5.5

        Installation Instructions

        (1)Do not confuse the load-bearing surfaces: Ensure that the finely machined d3 surface is in close contact, with the rough surface facing the direction of tool operation.

        (2)The torque value is of crucial importance: an excessively high torque may damage the threads or cause the shaft to deform; an insufficiently high torque results in insufficient pre-tightening force, making the DIN 1804 nut  prone to loosening.

        (3)Proper use of tools: Ensure that the size of the socket wrench exactly matches the outer diameter of the nut to avoid damaging the slot.

        (4)The preload force should be taken into account: When used for bearing preload, it is necessary to precisely set the preload force using professional methods.

        (5)Regular inspection: During the initial operation of the equipment or after major repairs, it is necessary to conduct regular checks on the locking status of the nuts to prevent loosening.

        Hot Tags: DIN 1804 Nut, China, Manufacturer, Supplier, Factory
        Related Category
        Send Inquiry
        Please Feel free to give your inquiry in the form below. We will reply you in 24 hours.
        X
        We use cookies to offer you a better browsing experience, analyze site traffic and personalize content. By using this site, you agree to our use of cookies. Privacy Policy
        Reject Accept