Home > Products > Bolt > Round Head Bolt > High Capacity Eye Bolt
        High Capacity Eye Bolt
        • High Capacity Eye BoltHigh Capacity Eye Bolt
        • High Capacity Eye BoltHigh Capacity Eye Bolt

        High Capacity Eye Bolt

        High Capacity Eye bolt are precision-made from high-strength materials, possessing strong load-bearing capacity. Xiaoguo's high-load-bearing eye bolts meet international safety standards and are suitable for heavy equipment lifting, engineering installation, and other scenarios. Xiaoguo ensures that every product meets stringent safety standards.

        Send Inquiry

        Product Description

        Before you even think about using High Capacity Eye bolt, take a good look at it. Check for any obvious damage, like cracks, bends, or if it's all worn down. Also, make sure all the info stamped on it, especially the Working Load Limit (WLL), is clear and easy to read. If you can't see it properly, it's better to skip it and grab another one.

        When you're putting it in, screw it all the way into the hole until the shoulder part sits completely flat and snug against the surface. Don't ever use a hammer to force it—that can mess things up. Just use the right tool, like a wrench, to get it tight and secure.

        As for how you apply the load, always keep it in line with the eye of the bolt. Never pull sideways or at some weird angle, because that can cause it to fail. If you're using a shoulder eye bolt for lifts that aren't straight up, keep the angle under 45 degrees, and remember, you'll need to lower the WLL to account for the angle. This helps avoid overloading and keeps everything safer while you work.

        Product Packaging

        If you just pick up a small High Capacity Eye bolt set from the hardware store, they'll probably come in a simple cardboard box. But if you're ordering in bulk for a big job or for industrial use, that's when things change. They'll often be packed securely in heavy-duty paper cartons that are then stacked and strapped onto wooden pallets. This palletizing is pretty standard because it makes shipping and handling a lot more stable and safer for everyone involved.

        Another super common way you'll see them packaged is individually, or in groups, inside clear plastic poly bags first. These bags are great for keeping out moisture and dust. Then, those bags are placed inside a stronger outer paper carton for an extra layer of protection during transit. Honestly, the main point of all this packaging isn't to be fancy; it's just practical. Its only job is to protect the eye bolts from getting banged up, rusty, or damaged while they're being shipped to you or sitting in storage.

        Q&A Session

        Question: What's the difference between a regular and a shoulder pattern High Capacity Eye bolt?A shoulder pattern bolt has a bigger bearing surface under the eye, so it spreads the load better. This one’s stronger and you should use it for angled lifts—unlike the regular kind, which only works for straight-up vertical loads.

        High Capacity Eye Bolt

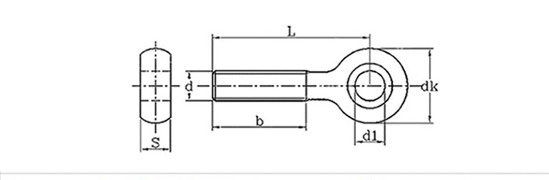
        mm
        Thread diameter
        d1
        dk
        s
        M6
        5 10.5 5.4
        M8

        6

        13 7
        M10
        8 16 8.5
        M12
        10 19 10.5
        M14
        10 22 12


        Hot Tags: High Capacity Eye Bolt
        Related Category
        Send Inquiry
        Please Feel free to give your inquiry in the form below. We will reply you in 24 hours.
        X
        We use cookies to offer you a better browsing experience, analyze site traffic and personalize content. By using this site, you agree to our use of cookies. Privacy Policy
        Reject Accept