Home > Products > Bolt > Round Head Bolt > Anchor Secure Eye Bolt
        Anchor Secure Eye Bolt
        • Anchor Secure Eye BoltAnchor Secure Eye Bolt
        • Anchor Secure Eye BoltAnchor Secure Eye Bolt

        Anchor Secure Eye Bolt

        All Anchor Secure Eye Bolts produced by Xiaoguo undergo rigorous testing before export, and the company can reliably supply them. Partners trust Xiaoguo, and buyers can purchase with confidence.

        Send Inquiry

        Product Description

        Quality Inspection Certificate

        So when you get a quality inspection certificate for an Anchor Secure Eye Bolt, basically it's a document that comes with the product showing it meets specific standards like ASTM A489. This paperwork usually gives you the details about what materials were used, checks that all the dimensions are right, confirms it passed load testing, and verifies the surface treatment. The certificate typically comes from an independent lab that's accredited to do this kind of testing. What's really useful is that it lets you trace the product back to its manufacturing batch, which gives you confidence that the eye bolt is actually safe to use for lifting operations and will perform like it's supposed to when you're using it on the job site.

        Anchor Secure Eye Bolt

        Product Uses

        So, an Anchor Secure Eye Bolt is one of those components that comes in handy in a bunch of situations - you'll mainly see it used for lifting heavy objects, for rigging setups, or just for anchoring things down securely. The way it's designed, with that circular eye at one end, makes it really straightforward to hook up different kinds of connecting gear. Whether you need to run a cable through it, tie off a rope, or attach a shackle, that eye gives you a solid point to work with. That's why you'll find these being used all the time at construction sites, on docks and boats, and in factories - anywhere people need to secure loads or move equipment around safely.

        Q&A Session

        Question: What’s the safe working load for your Anchor Secure Eye Bolt?The safe load for an  bolt depends on its size and type. Always check the rated load chart for the specific one you’re using. Never go over that rating—keeps things safe when you’re lifting stuff.

        Anchor Secure Eye Bolt

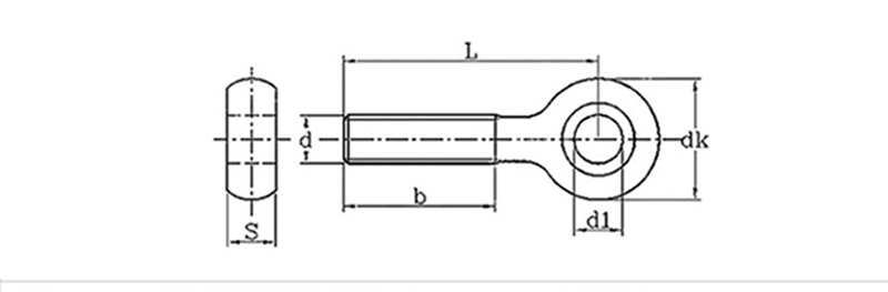
        mm
        Thread diameter
        d1
        dk
        s
        M6
        5 10.5 5.4
        M8
        6 13 7
        M10
        8 16 8.5
        M12
        10 19 10.5
        M14
        10 22 12

        Hot Tags: Anchor Secure Eye Bolt
        Related Category
        Send Inquiry
        Please Feel free to give your inquiry in the form below. We will reply you in 24 hours.
        X
        We use cookies to offer you a better browsing experience, analyze site traffic and personalize content. By using this site, you agree to our use of cookies. Privacy Policy
        Reject Accept