A high strength Face projection welding bolt is a special kind of fastener made to connect strongly and easily to metal sheets or structures. It has projections—usually rings or little bumps—on the side that touches the metal, and these are made to precise sizes.
When you weld it, a lot of electrical current focuses on these projections. That makes the metal there get really hot, melt, and then when it cools, it forms a strong weld. This weld holds the high strength Face projection welding bolt tightly to the piece you’re working on.
A high strength Face projection welding bolt’s main job is to create a permanent, thread-based attachment point that can hold weight. You need special projection welding equipment to weld it.
Electrodes press down and send a lot of electricity through the bolt’s projections and the metal piece you’re working with. The way the welding bolt is made means only the projections melt—nothing more. When they cool, they form a strong metal bond, and the metal around it doesn’t get bent or warped much.
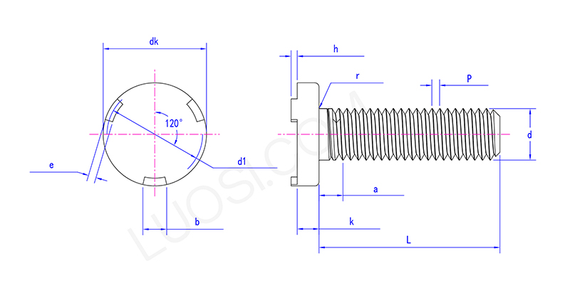
| Mon | M5 | M6 | M8 | M10 |
| P | 0.8 | 1 | 1.25 | 5 |
| dk max | 12.4 | 14.4 | 16.4 | 20.4 |
| dk min | 11.6 | 13.6 | 15.6 | 19.6 |
| k max | 2 | 2.2 | 3.2 | 4.2 |
| k min | 1.6 | 1.8 | 3.2 | 4.2 |
| e max | 2.25 | 2.75 | 2.25 | 2.75 |
| e min | 1.75 | 2.25 | 1.75 | 2.25 |
| b max | 3.3 | 4.3 | 5.3 | 6.3 |
| b min | 2.7 | 3.7 | 4.7 | 5.7 |
| h max | 0.8 | 0.9 | 1.1 | 1.3 |
| h min | 0.6 | 0.75 | 0.9 | 1.1 |
| d1 max | 10 | 11.5 | 14 | 17.5 |
| d1 min | 9 | 10.5 | 13 | 16.5 |
| r min | 0.2 | 0.25 | 0.4 | 0.4 |
| r max | 0.6 | 0.7 | 0.9 | 1.2 |
| a max | 3.2 | 4 | 5 | 5 |

A high strength Face projection welding bolt has little raised parts—usually rings or small dents—on the side that gets welded. When you weld it, a lot of electricity focuses on those raised parts. They melt right away against the base metal, while the electrode is pressing down.
This makes strong, tight welds that hold the bolt in place well. They work great for sheet metal jobs.