Home > Products > Welding Nuts > Welding Screw > Bottom Projection Weld Screws
      Bottom Projection Weld Screws
      • Bottom Projection Weld ScrewsBottom Projection Weld Screws
      • Bottom Projection Weld ScrewsBottom Projection Weld Screws
      • Bottom Projection Weld ScrewsBottom Projection Weld Screws

      Bottom Projection Weld Screws

      Bottom projection weld screws can be firmly welded onto metal surfaces. It has threads on the top and can be used for connecting parts. They are suitable for heavy machinery, steel structures or industrial equipment that requires firm and permanent fixation. Xiaoguo® Company offers practical options.
      Model:QC/T 598-1999

      Send Inquiry

      Product Description

      The head of bottom projection weld screws is circular in shape and has small welding points. The screw is cylindrical in shape and its surface is engraved with regular and fine threads. They come in various sizes to choose from.

      Applications

      Projection weld screw is used in building decoration. In interior decoration, these bolts are used to fix doors and windows, decorative panels, ceiling joists and other components; in some small connection parts of steel structure buildings, they can also be used for connection. They are very convenient.

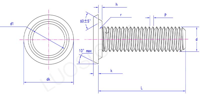
      bottom projection weld screws parameter

      Mon
      M4 M5 M6 M8 M10 M12
      P
      0.7 0.8 1 1.25 1.5 1.75
      dk max
      11.5 12.5 14.5 19 21 24
      dk min
      11.23 12.23 14.23 18.67 20.67 23.67
      k max
      2 2.5 2.5 3.5 4 5
      k min
      1.75 2.25 2.25 3.25 3.75 4.75
      r min
      0.2 0.2 0.3 0.3 0.4 0.4
      d1 max
      8.75 9.75 10.75 14.25 16.25 18.75
      d1 min
      8.5 9.5 10.5 14 16 18.5
      h max
      1.25 1.25 1.25 1.45 1.45 1.65
      h min
      0.9 0.9 0.9 1.1 1.1 1.3

      The bottom projection weld screws are also used in the mechanical manufacturing industry. They are applicable to the general assembly of mechanical equipment, such as the connection of components in small machinery and instruments, ensuring that each part of the machinery remains in a fixed position during operation and operates stably.

      This projection weld screw is used in the assembly of electronic devices. For the connections of some electronic device casings and internal supports that have high requirements for appearance and need certain tightening strength, this type of bolt is quite suitable. It ensures a stable connection without affecting the appearance of the equipment.

      Product Feature

      The bottom projection weld screws have relatively smooth surface after installation, making it less likely to scratch people or other objects. The welding points on the head can be used to pre-weld the bolt to a specific component, facilitating subsequent assembly. The thread accuracy is high, enabling it to tightly engage with the matching nut, providing a reliable fastening effect, and maintaining good connection performance even after multiple disassembly and reassembly.


      Hot Tags: Bottom Projection Weld Screws, China, Manufacturer, Supplier, Factory
      Related Category
      Send Inquiry
      Please Feel free to give your inquiry in the form below. We will reply you in 24 hours.
      X
      We use cookies to offer you a better browsing experience, analyze site traffic and personalize content. By using this site, you agree to our use of cookies. Privacy Policy
      Reject Accept