These UN riveted stud for PCB board are usually made from good steel alloys,like low-carbon or stainless steel,or aluminum. They have solid mechanical strength and hold up well over time.
Steel ones offer the most tensile and shear strength. Aluminum ones, on the other hand, conduct electricity nicely and are light.
The metal chosen for these studs means they can handle heavy mechanical loads, stress from heating and cooling cycles, and stay strong the whole time the product is in use.
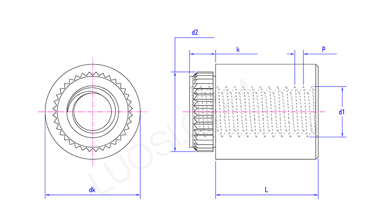
The UN riveted stud for PCB board is a permanent and high-strength fastener used to provide a reliable external threaded fixation point on printed circuit boards (PCBs). Here, "UN" typically represents "Uniform National Standard", referring to the standardized screw thread type it possesses (such as UNC or UNF), which ensures its compatibility with various standard nuts.
The installation process is fast and efficient. Insert the stud into the pre-drilled hole on the PCB board. Then, use a dedicated riveting tool to deform the flat end of the stud, causing it to expand outward and firmly grip between the rivet head and the shoulder or flange of the stud, thus forming a strong and vibration-resistant connection without the need for welding.
This method is particularly suitable for scenarios that require withstanding large mechanical stress, need to undergo multiple plug-in operations, or where the heat generated by welding may damage sensitive components.
These UN riveted stud for PCB board are put in using a cold forming or riveting method.
You stick the stud through a pre-drilled hole in the PCB. Then a special riveting tool bends the stud's shank against a die under the board, creating a permanent, flared lock that holds it in place.
The cold processing method generates less heat and will not damage the PCB laminate or circuitry. When installed correctly, the studs provide a strong and vibration-resistant fixation without compromising the circuit board's structure.

| Market | Revenue(Previous Year) | Total Revenue (%) |
| North America | Confidential | 20 |
| South America | Confidential | 4 |
| Eastern Europe | Confidential | 24 |
| Southeast Asia | Confidential | 2 |
| Africa | Confidential | 2 |
| Oceania | Confidential | 1 |
| Mid East | Confidential | 4 |
| Eastern Asia | Confidential | 13 |
| Western Europe | Confidential | 18 |
| Central America | Confidential | 6 |
| Northern Europe | Confidential | 2 |
| Southern Europe | Confidential | 1 |
| South Asia | Confidential | 4 |
| Domestic Market | Confidential | 5 |