Self anchoring expansion bolts are mainly composed of screws, expansion tubes, nuts and other parts. During installation, by tightening the nut, the screw will drive the expansion tube to expand inside the borehole, thus firmly fixing it to the wall or other base surface.
	
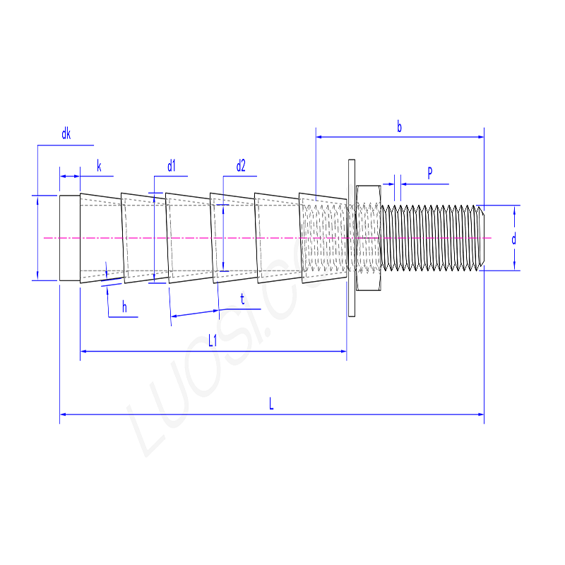
| Mon | M6 | M8 | M10 | M12 | M16 | M20 | M22 | M24 | 
| P | 1 | 1.25 | 1.5 | 1.75 | 2 | 2.5 | 2.5 | 3 | 
| dk max | 10 | 12 | 14 | 16 | 20 | 24 | 26 | 28 | 
| dk min | 9 | 11 | 13 | 15 | 19 | 23 | 25 | 27 | 
| L1 | 45 | 60 | 70 | 75 | 100 | 125 | 150 | 180 | 
| k | 5 | 5 | 5 | 5 | 5 | 5 | 5 | 5 | 
| d1 | 9.8 | 11.8 | 13.8 | 15.8 | 19.8 | 23.8 | 25.8 | 27.8 | 
| d2 | 6.2 | 8.2 | 10.2 | 12.2 | 16.2 | 20.2 | 22.2 | 24.2 | 
| h | 0.6 | 0.8 | 0.8 | 0.8 | 0.9 | 1 | 1 | 1.2 | 
| t | 10 | 12 | 12 | 14 | 14 | 16 | 16 | 20 | 
| L | 65 | 85 | 100 | 110 | 150 | 200 | 250 | 300 | 
	
Self-anchoring expansion bolt can firmly anchor objects in concrete or masonry structures. You just need to drill holes, insert bolts and then tighten the nuts. When tightened, the bolt itself will expand within the hole. It is usually formed by pulling the cone into the sleeve, thereby creating a firm mechanical lock and firmly fixing it to the wall.
	
Installing self anchoring expansion bolts is very simple: drill holes of the correct size, remove the dust, knock the bolts in with a hammer, and then tighten the nuts with a wrench. During the tightening process, the expansion mechanism is forced to open and firmly grasp the base material. This is a direct "install and tighten" process that can achieve a firm fixation.
	
For example, fix the bracket to the concrete wall, fix the mechanical base to the floor, fix the handrail or fix the column to the foundation. They are highly suitable for medium to heavy operations in solid concrete, bricks or blocks, where you need to add a strong and detachable anchor point after the foundation is built.
	
Self anchoring expansion bolts have strong adaptability. It has strong adaptability to different base planes. Whether it is a concrete wall, a brick wall or some wooden structure, as long as the appropriate holes are drilled, it can play a very good anchoring role. Moreover, it comes in different specifications. According to the actual installation requirements and the condition of the base surface, the appropriate size can be selected to meet various installation scenarios.
	