Home > Products > Welding Nuts > Welded Stud > Round Flat Head Projection Weld Studs
        Round Flat Head Projection Weld Studs
        • Round Flat Head Projection Weld StudsRound Flat Head Projection Weld Studs
        • Round Flat Head Projection Weld StudsRound Flat Head Projection Weld Studs
        • Round Flat Head Projection Weld StudsRound Flat Head Projection Weld Studs

        Round Flat Head Projection Weld Studs

        Round flat head projection weld studs are designed for welding the surface of plastics. They use heat to melt and bond the materials without damaging them. Its design ensures a secure fit and prevents the plastic from cracking.Xiaoguo® Factory provides fasteners of different sizes and models, which can be used in a variety of scenarios.
        Model:QC/T 891-2011

        Send Inquiry

        Product Description

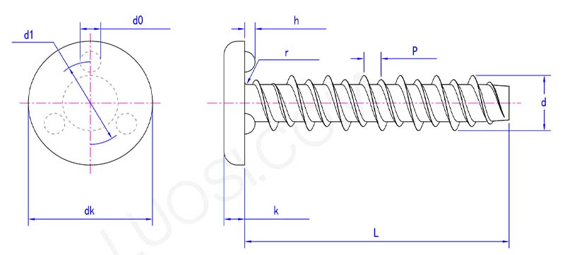
        Round flat head projection weld studs are mainly composed of a screw rod and a head. The head design varies. Some are relatively wide to increase the contact area with the plastic during welding; others have special patterns or protrusions to facilitate better integration with the plastic.

        Product applications and parameters

        Round flat head projection weld studs parameter

        Mon
        NST3 NST3.5
        NST4
        NST5
        NST6
        P
        1.1 1.3 1.4 1.6 1.8
        d1
        6.2 7 8 9.2 10.8
        d0 max
        1.1 1.4 1.9 2.1 2.7
        d0 min
        0.9 1.2 1.7 1.9 2.4
        dk max
        8.3 9.4 10.9 12.3 14.5
        dk min
        8.1 9.2 10.7 12.1 14.2
        h max
        0.45 0.55 0.7 0.8 1.05
        h min
        0.35 0.45 0.6 0.7 0.95
        k max
        1 1.2 1.3 1.7 2.1
        k min
        0.6 1 1.1 1.5 1.9
        r max
        0.4 0.5 0.6 0.7 1.0


        Round flat head projection weld studs are used in the electronics manufacturing industry. For instance, when manufacturing phone casings, tablet casings, headphone casings, etc., some internal plastic structural components' connections will require the use of these types of screws. When installing the plastic components such as the battery holder and the motherboard shield inside the phone, attach them to the corresponding positions by welding, and then install other components.

        These weld screws are used in the toy manufacturing industry. Many toys are assembled from plastic parts, and these parts can be used to connect them. Such as plastic building blocks for constructing toy castles, plastic model cars, etc. They ensure the durability of the toys and the safety for children's use.

        The projection weld studs are used in the manufacturing industry of household products. Many plastic products, such as plastic storage boxes, plastic tables and chairs, etc., will use them. When installing the handles, partitions and other components of the storage box, weld the welding screws onto the main body of the storage box, and then install the corresponding components. This ensures that these components will not easily loosen during frequent daily use, thereby enhancing the practicality and service life of the storage box.

        Product feature

        Round flat head projection weld studs can achieve a secure and convenient connection between plastic components. By means of welding, it is closely bonded to the plastic components, with high connection strength, effectively preventing the components from loosening. The welding operation is relatively simple. For those with some experience in plastic processing, it is easy to master and can enhance production efficiency.


        Hot Tags: Round Flat Head Projection Weld Studs, China, Manufacturer, Supplier, Factory
        Related Category
        Send Inquiry
        Please Feel free to give your inquiry in the form below. We will reply you in 24 hours.
        X
        We use cookies to offer you a better browsing experience, analyze site traffic and personalize content. By using this site, you agree to our use of cookies. Privacy Policy
        Reject Accept