Home > Products > Nut > Hand Screw The Nut > High Head Knurled Nuts
        High Head Knurled Nuts
        • High Head Knurled NutsHigh Head Knurled Nuts
        • High Head Knurled NutsHigh Head Knurled Nuts

        High Head Knurled Nuts

        Integrate the future of motion control. XIAO GUO's newest High head knurled nuts features optimized ball circulation for quieter operation and higher speeds. It's the fancy High head knurled nuts choice for next-generation machinery.

        Send Inquiry

        Product Description

        Shipping costs for High Head Knurled Nuts vary depending on order size and delivery address. Smaller orders typically have higher shipping costs. For small orders, like sample batches or under 5000 pieces, we use couriers such as DHL or FedEx. The cost usually ranges from $25 to $90, and delivery takes 3-7 days. Postal mail is cheaper but slower, taking around 10-18 days.

        Bulk orders over 10,000 pieces are better with sea or air freight. Sea freight is more cost-effective, costing $350-$900 per cubic meter, but takes 20-35 days. Air freight is faster (5-10 days) but pricier, about $6-$9 per kilogram. We’ll pack them properly to avoid damage during transit.

        Just tell us your order quantity and destination, and we can give you an exact quote. No hidden fees—you only pay the actual shipping cost. High head knurled nuts’s shipping options work for both small samples and large bulk buys, fitting different budget and time needs.

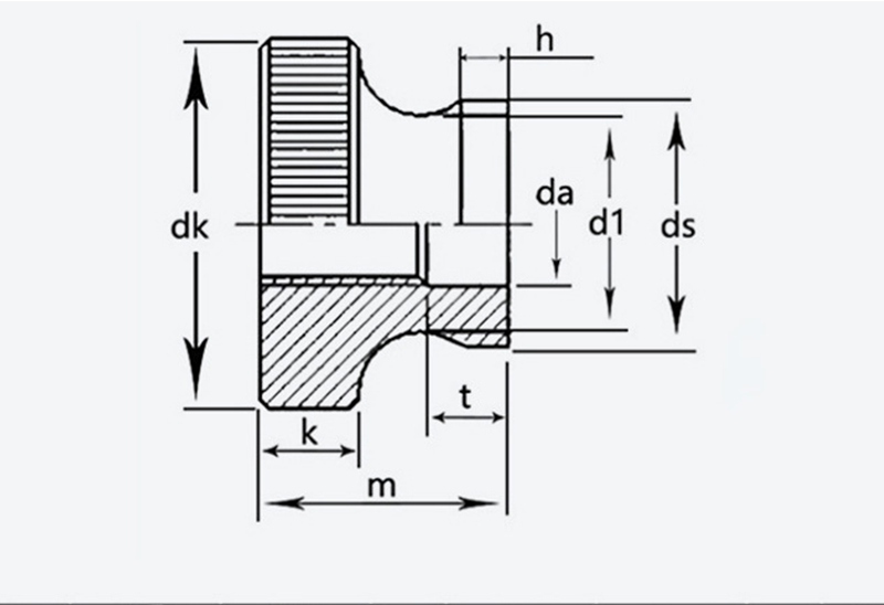
        Product appearance characteristics

        It has a simple cylindrical shape overall, no extra design bits. The outer surface is smooth, which helps it fit into pre-drilled holes easily during installation. There’s a small flange around one end—this keeps it from slipping through the sheet metal once pressed in.

        The inner part has even threads that match common bolt sizes. The threads aren’t too sharp, just right for a smooth fit with bolts. The other end is flat, so it sits flush against the sheet metal after installation, no sticking out parts.

        Its size is small, matching thin sheet metal needs. The surface just has the basic coating, like zinc plating or passivation, no extra colors or decorations. High head knurled nuts’s shape is all about practical use, making it easy to install and work with for sheet metal assembly jobs.

        High Head Knurled Nuts

        Q&A Session

        Q:Can you customize it with non-standard sizes?

        A:Yes, we accept custom orders for non-standard thread sizes or outer diameters. You just need to send us your detailed size requirements and expected order quantity. The production time for custom orders is about 15-20 days, which is a bit longer than standard ones. There’s no extra mold fee if the quantity is over 50,000 pieces. We’ll send you samples first to confirm before mass production.  


        size Pitch Outer diameter Height k ds da d1 T h
        max min max min max min max min max
        M3 0.5  11  10.7  6.64  2.8  5.7  3.5  3.2  5.2  1.2 
        M4 0.7  12  11.7  7.64  7.64  4.5  4.2  6.4  2.5  1.5 
        M5 0.8  16  15.7  10  96.6  10  9.64  5.5  5.5 
        M6 20  19.7  12  11.6  12  11.6  6.56  6.2  11  2.5 
        M8 1.25  24  23.7  16  15.6  16  15.6  8.86  8.5  13 
        M10 1.5 30 29.7 20 19.5 8 20 19.5 10.9 10.5 17.2 6.5 3.8
        Hot Tags: High Head Knurled Nuts, China, Manufacturer, Supplier, Factory
        Related Category
        Send Inquiry
        Please Feel free to give your inquiry in the form below. We will reply you in 24 hours.
        X
        We use cookies to offer you a better browsing experience, analyze site traffic and personalize content. By using this site, you agree to our use of cookies. Privacy Policy
        Reject Accept