Home > Products > Nut > Hand Screw The Nut > Hardware Tools Rolling Nut
        Hardware Tools Rolling Nut
        • Hardware Tools Rolling NutHardware Tools Rolling Nut
        • Hardware Tools Rolling NutHardware Tools Rolling Nut

        Hardware Tools Rolling Nut

        Ensure system compliance and safety. The XIAO GUO Hardware Tools Rolling Nut CE certified product meets rigorous standards. Our nuts are engineered for reliable, long-term operation in demanding industrial environments.

        Send Inquiry

        Product Description

        The specifications of Hardware Tools Rolling Nut for hardware tools mainly include the internal thread size and the outer diameter. Thread sizes range from M2 to M8, which are the most common for thin sheet metal assembly. Outer diameters match these threads—smaller threads go with smaller diameters, so they fit the pre-drilled holes properly. You just pick based on the bolt size you’ll use with it.

        Grades are simple: standard grade and high-strength grade. Standard grade works for regular tasks, like furniture brackets or electronics casings. High-strength grade is made of thicker material, good for machines or parts that need to bear more force without slipping.

        Each nut has its spec and grade marked on the packaging label, so it’s easy to pick the right one. No complicated coding, just basic numbers and words. Hardware Tools Rolling Nut’s specs and grades cover most common sheet metal work needs, no extra fancy options.

        Hardware Tools Rolling Nut

        Product quality control

        We start with raw material checks. Every batch of metal is inspected for cracks, dents, or weak spots. Only qualified material gets into production—this is the first step to keep quality in line.

        During production, we do spot checks regularly. We look at thread accuracy first; they need to fit bolts smoothly without tight or loose spots. We also measure outer diameter and thickness often to make sure they match standard specs. Surface treatment is checked too, ensuring no thin plating or missed areas that could cause rust.

        Before shipping, random samples from each batch go through installation tests. We press them into sheet metal and test if they hold firmly without slipping. We also check for any surface scratches or deformities. Hardware Tools Rolling Nut goes through these simple but strict steps to make sure it works well for daily assembly jobs.

        Q&A Session

        Q:Will it rust easily in coastal humid areas?

        A:It depends on the surface treatment. Zinc-plated ones may rust after 1-2 years in high humidity. Hot-dip galvanized or stainless steel ones are better for coastal areas—they can resist salt mist and moisture for 5-8 years. If your products are used outdoors, we suggest choosing stainless steel  Nut. We can also provide corrosion resistance test reports for your reference.  

        Hardware Tools Rolling Nut


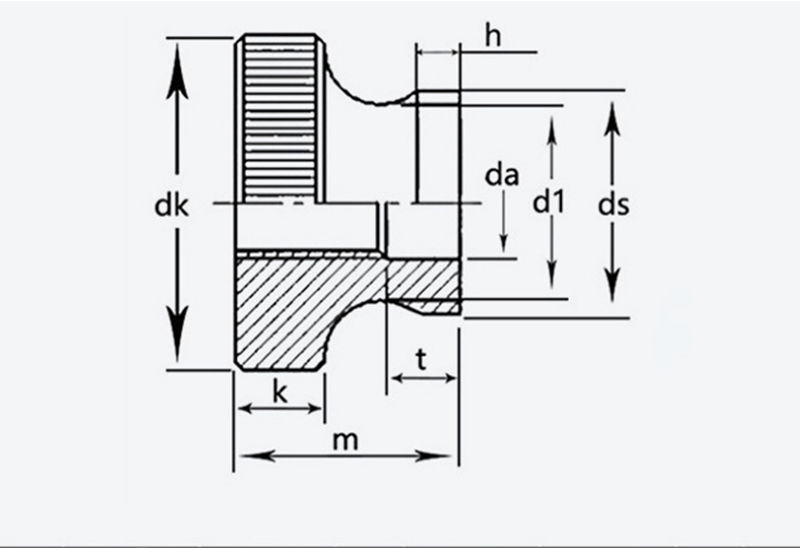
        size Pitch Outer diameter Height k ds da d1 T h
        max min max min max min max min max
        M3 0.5  11  10.7  6.64  2.8  5.7  3.5  3.2  5.2  1.2 
        M4 0.7  12  11.7  7.64  7.64  4.5  4.2  6.4  2.5  1.5 
        M5 0.8  16  15.7  10  96.6  10  9.64  5.5  5.5 
        M6 20  19.7  12  11.6  12  11.6  6.56  6.2  11  2.5 
        M8 1.25  24  23.7  16  15.6  16  15.6  8.86  8.5  13 
        M10 1.5 30 29.7 20 19.5 8 20 19.5 10.9 10.5 17.2 6.5 3.8
        Hot Tags: Hardware Tools Rolling Nut, China, Manufacturer, Supplier, Factory
        Related Category
        Send Inquiry
        Please Feel free to give your inquiry in the form below. We will reply you in 24 hours.
        X
        We use cookies to offer you a better browsing experience, analyze site traffic and personalize content. By using this site, you agree to our use of cookies. Privacy Policy
        Reject Accept