Home > Products > Nut > Hexagon Flange Nut > Fork Joint
        Fork Joint

        Fork Joint

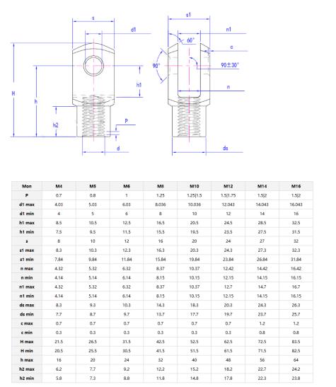
        Xiaoguo® Fork joint is manufactured in strict accordance with the German industrial standard DIN 71752-1994 and is used for swing and rotation connections in mechanical systems. The fork joint adopts an open fork-shaped structure and cooperates with the pin to achieve bidirectional articulation.
        Model:DIN 71752-1994

        Send Inquiry

        Product Description


        Fork joint is widely used in scenarios that require angle compensation and motion transmission, such as agricultural machinery suspension, engineering equipment joints, etc.


        Details and parameters

        The 120°symmetrical fork allows ±15°swing. The fork joint adapts to non-coaxial installation errors and avoids stress concentration in rigid connections. The material of this joint can be selected from 42CrMo alloy steel (high strength) or 316 stainless steel (corrosion resistance) to meet the needs of different working conditions.

        Fork joint

        Fork joints are critical in conveyor systems, connecting belt segments for smooth material transfer. Their forked design absorbs vibrations and lateral forces, reducing maintenance. In robotic arms, fork joints enable multi-axis movements for precise tasks like assembly line operations.

        Fork joint

        Market distribution

        Market
        Revenue(Previous Year)
        Total Revenue (%)
        North America
        Confidential
        23
        South America
        Confidential 5
        Eastern Europe
        Confidential
        19
        Southeast Asia
        Confidential
        2
        Oceania
        Confidential
        3
        Mid East
        Confidential
        2
        Eastern Asia
        Confidential
        15
        Western Europe
        Confidential
        15
        Central America
        Confidential
        5
        South Asia
        Confidential
        6

        Domestic Market

        Confidential
        5


        Why Choose us

        With experience in manufacturing fork joint in accordance with the DIN 71752-1994 standard, we provide pin-fork pairing tests (torque-swing angle curves) to ensure system-level performance;

        We complete non-standard fork mouth designs (such as fork mouths with lubrication grooves and anti-slip locking structures) within 7 days, and support processing based on drawings.



        Hot Tags: Fork Joint, China, Manufacturer, Supplier, Factory
        Related Category
        Send Inquiry
        Please Feel free to give your inquiry in the form below. We will reply you in 24 hours.
        X
        We use cookies to offer you a better browsing experience, analyze site traffic and personalize content. By using this site, you agree to our use of cookies. Privacy Policy
        Reject Accept